- Home »
- Catalog »
- Driveline Parts »
- AXLES and FRONT DIFF Parts 4X4 »
- FORD 4X4 Front »
- DANA 50 IFS FRONT - FORD F250, F350 1980-1998
Dennys Driveshafts and Driveline Parts - DANA 50 IFS FRONT - FORD F250, F350 1980-1998
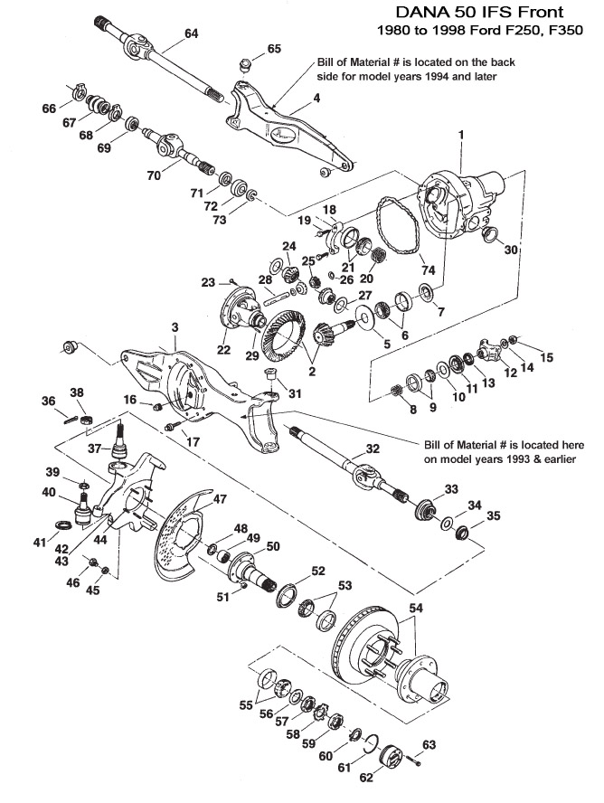
DANA 50 IFS FRONT AXLE PARTS
1980 to 1998 FORD F250 and F350 with DANA 50 IFS Independent Front Suspension
It's easy to spot the FORD Dana 50 IFS Twin Traction Beam front because it uses OUTSIDE Snap Ring style axle u-joints.

| Diagram # | Part # | Description | Diagram # | Part # | Description |
| 1 | ***** | Housing | 42 | ***** | Right Knuckle |
| 2 | 707239-2X | Ring and Pinion | 43 | ***** | Left Knuckle |
| 3 | ***** | Left support arm | 44 | 37759-2 | Spindle Bolt/Nut |
| 4 | ***** | Right support arm | 45 | ***** | Nut |
| 5 | 30764 | Slinger | 46 | ***** | Stop screw |
| 6 | 706015X | Inner Pinion Bearing | 47 | ***** | Dust Shield |
| 7 | 32349 | Baffle | 48 | KIT | Seal |
| 8 | KIT | Shims | 49 | KIT | Needle bearing |
| 9 | 706030X | Outer Pinion Bearing | 50 | ***** | Spindle |
| 10 | 13575 | Slinger | 51 | 37759-1 | Lock Nut |
| 11 | 44895 | Pinion Seal | 52 | 48816 | Seal |
| 12 | 2-4-6111X | Pinion Yoke | 53 | 706411X | Inner wheel bearing |
| 13 | 41498 | Slinger on yoke | 54 | ***** | Hub and Rotor |
| 14 | 30186 | Washer for pinion nut | 55 | 706074X | Outer wheel bearing |
| 15 | 30185 | Pinion Nut | 56 | ***** | Thrustwasher |
| 16 | 36472 | Plug | 57 | 660568 | Spindle Nut |
| 17 | 620631 | Bolt | 58 | 621028 | Lock washer |
| 18 | ***** | Diff Brg Cap | 59 | 621027 | Spindle nut |
| 19 | 48632-1 | Bolt | 60 | 620142 | Snap ring |
| 20 | KIT | Diff Brg Shims | 61 | 620097 | Snap ring |
| 21 | 700097 | Diff Bearing Kit | 62 | ***** | Hub Lock |
| 22 | ***** | Case | 63 | 45886 | Bolt for Manual Hub |
| 23 | 45784 | Ring Gear Bolt | 64 | MULTIPLE | Shaft and Joint Assy |
| 24 | 40432 | Gear | 65 | ***** | Camber adjuster |
| 25 | 620436 | Gear | 66 | 40540-4 | Clamp |
| 26 | 620439 | Thrustwasher | 67 | 40929 | Rubber boot |
| 27 | 50718 | Thrustwasher | 68 | 40540-3 | Clamp |
| 28 | 620414 | Diff Cross Pin | 69 | 211121X | Slip yoke Seal |
| 29 | 44810 | Roll Pin | 70 | MULTIPLE | Shaft and Yoke Assy |
| 30 | 40710 | Oil Seal | 71 | MULTIPLE | Oil Seal |
| 31 | ***** | Camber adjuster | 72 | MULTIPLE | Bearing |
| 32 | MULTIPLE | Shaft and Joint Assy | 73 | 42570 | Snap Ring |
| 33 | KIT | Slinger | 74 | 38615 | RTV |
| 34 | KIT | Oil Seal | |||
| 35 | KIT | Spacer | |||
| 36 to 41 | ***** | ***** |