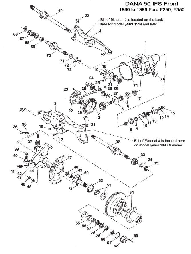
DANA SPICER 2-4-8091X - Dana 50 IFS Pinion Yoke 1310 series 26 spline ford FORD F-250 and F-350 with Independent Front Suspension
Diagram Number: 12
2-4-8091X
DANA SPICER 2-4-8091X
Dana 50 IFS 26 spline 1310 series ...U-Bolt style
Limited Supply: only 7 remaining
Pricing:
$77.61
Description
DANA SPICER 2-4-8091X
Dana 50 IFS 26 spline 1310 series ...U-Bolt Style
Fits FORD F-250 and F-350 with DANA 50 IFS with Independent Front Suspension
- U-Bolt Set Sold Separately
- Fits 1310 Series universal joint 3 7/32 inches wide with 1 1/16 inch bearing caps.
- 26 splines
- SPLINE OD = 1.146
- D = 1.062
- E = 3.219
- Q = 1.500
- R = 1.552
- S = 3.000

Details
- 2-4-8091X
- 2-4-8091X
- 023913235321
- Spicer
- Available
- New
Shipping Information
- Item Requires Shipping
- 2.1 lbs.
- W6.0000” x H5.0000” x L5.0000”