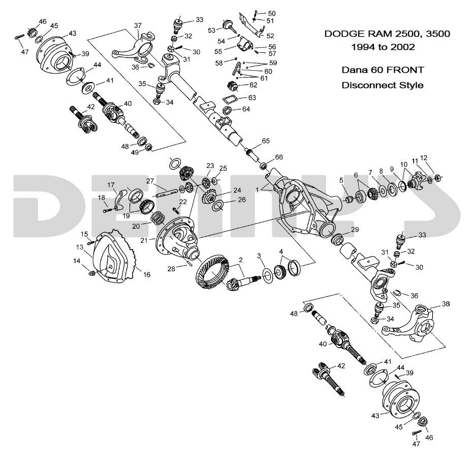
Dana Spicer 2-4-4291-1X Pinion Yoke 1330 series fits DODGE DANA 60 with 29 spline Strap and Bolt style
Diagram Number: 10
2-4-4291-1X
Dana Spicer 2-4-4291-1X
Dana 60 29 spline 1330 series Pinion Yoke. Strap and Bolt Style.
Not Available
Availability: This item is
obsolete and no
longer available
Pricing:
$80.67
Description
Dana Spicer 2-4-4291-1X
Dana 60 29 spline 1330 series Pinion Yoke. Strap and Bolt Style.
- Strap & Bolt set can be purchased separately at bottom of this page.
- 1330 SERIES
- 29 SPLINES
- SPLINE OD = 1.276
- D = 1.062
- E = 3.625
- Q = 1.500
- R = 1.875
- S = 2.938

Details
- 2-4-4291-1X
- 2-4-4291-1X
- SPICER - DISCONTINUED
- This item is obsolete and no longer available
- New
Shipping Information
- Item Requires Shipping
- 3.0 lbs.
- W6.0000” x H5.0000” x L6.0000”