Additional Images

Dana 60 Pinion WASHER

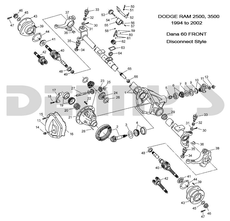
Diagram Number: 11

30275

SPICER 30275

DANA 60 Front or Rear end Pinion WASHER

  • Fits DANA 60 Car Rear Ends
  • Fits DANA 60 Truck Rear Ends
  • Fits DANA 60 4x4 Truck Front Ends
Pricing: $0.65

Customize Your Item

- -
 * required
Qty:

Description

SPICER 30275

DANA 60 Front or Rear end Pinion WASHER

  • Fits DANA 60 Car Rear Ends
  • Fits DANA 60 Truck Rear Ends
  • Fits DANA 60 4x4 Truck Front Ends

Details

  • 30275
  • 30275
  • Spicer
  • 50
  • 25
  • 11
  • Available
  • New

Shipping Information

  • Item Requires Shipping
  • 0.5 lbs.
  • W4.0000” x H4.0000” x L1.0000”