Additional Images

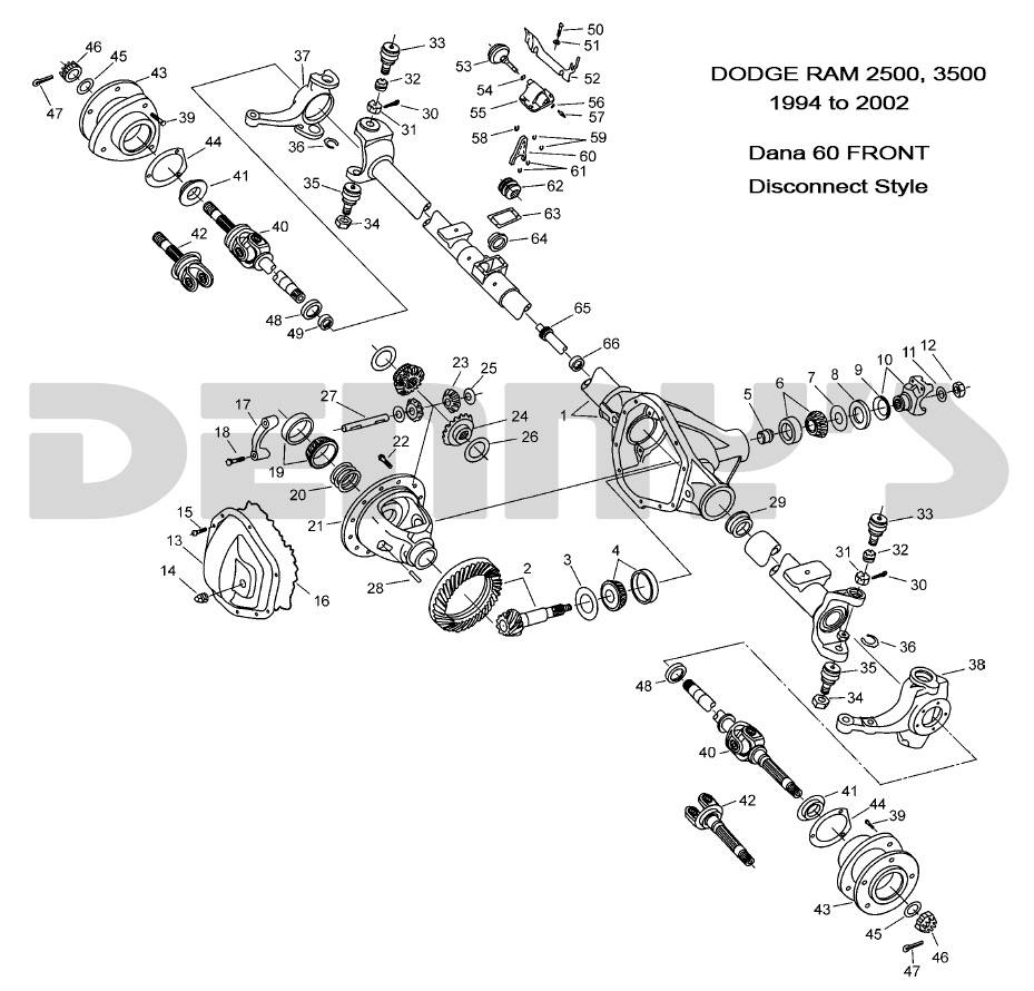
Dana 60 Pinion NUT

Diagram Number: 12

30271

SPICER 30271

DANA 60 Front or Rear end Pinion NUT

  • Fits DANA 60 Car Rear Ends
  • Fits DANA 60 Truck Rear Ends
  • Fits DANA 60 4x4 Truck Front Ends
Pricing: $1.78

Customize Your Item

- -
 * required
Qty:

Description

SPICER 30271

DANA 60 Front or Rear end Pinion NUT

  • Fits DANA 60 Car Rear Ends
  • Fits DANA 60 Truck Rear Ends
  • Fits DANA 60 4x4 Truck Front Ends

Details

  • 30271
  • 30271
  • 023913137656
  • Spicer
  • 25
  • 12
  • 12
  • Available
  • New

Shipping Information

  • Item Requires Shipping
  • 0.1 lbs.
  • W2.0000” x H2.0000” x L1.0000”