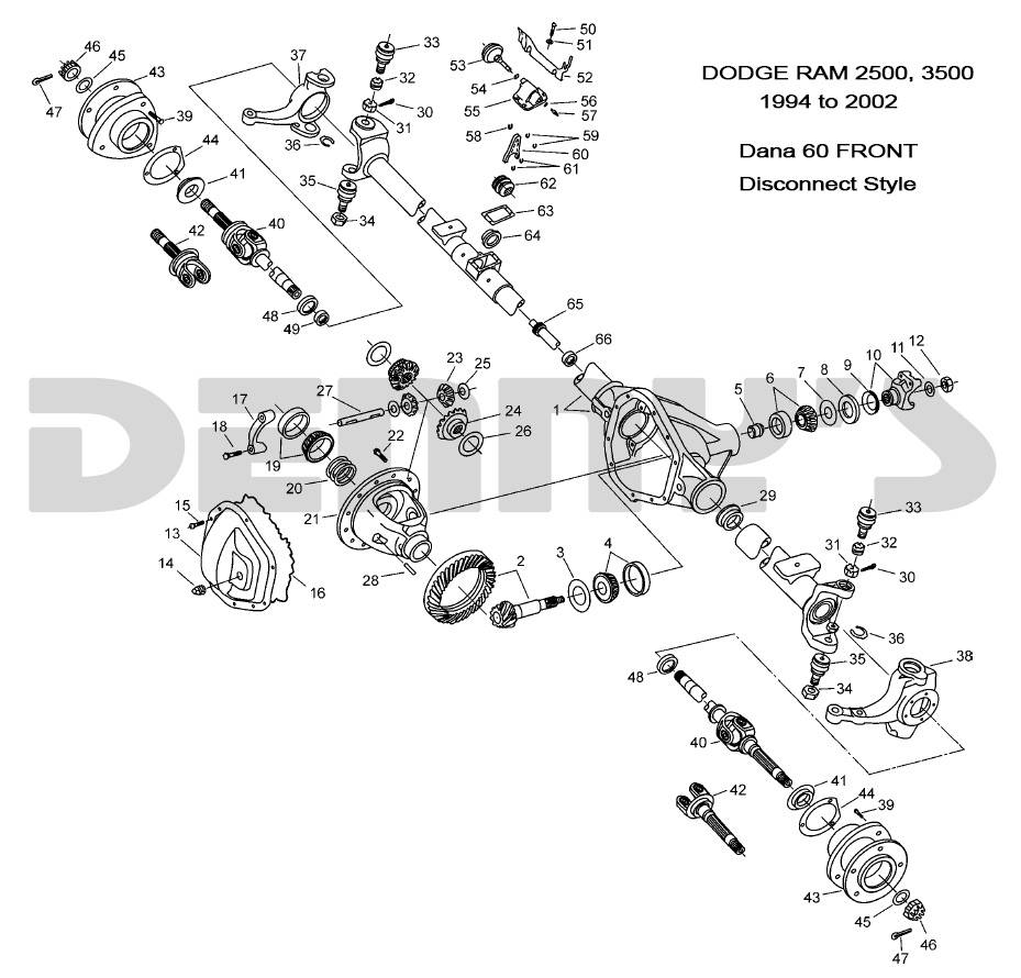
Dana Spicer 660182-2 LEFT Inner Axle 1975 to 1993 Dodge W200, W300 with Dana 60 Front axle
660182-2
Dana Spicer 660182-2
LEFT FRONT INNER AXLE
- DODGE W200, W300 with DANA 60 Front axle
- 1975 to 1993
- Genuine SPICER Replacement Front Axle Shaft
Dimensions
- Dimension "C1" = 1.5 inch diameter with 35 Splines
- Dimension "C" = 35.20 inches
- Use with Spicer SPL55-3X Universal Joint...See bottom of this page
- U-Joint Snap Ring Dimension = 3 inches
- U-Joint Bearing Cap Diameter = 1.375 inches ( 1 3/8 inches )
Limited Supply: only 1 remaining
Pricing:
$230.95
Description
Dana Spicer 660182-2
LEFT FRONT INNER AXLE
- DODGE W200, W300 with DANA 60 Front axle
- 1975 to 1993
- Genuine SPICER Replacement Front Axle Shaft
Dimensions
- Dimension "C1" = 1.5 inch diameter with 35 Splines
- Dimension "C" = 35.20 inches
- Use with Spicer SPL55-3X Universal Joint...See bottom of this page
- U-Joint Snap Ring Dimension = 3 inches
- U-Joint Bearing Cap Diameter = 1.375 inches ( 1 3/8 inches )

Details
- 660182-2
- 660182-2
- Spicer
- Available
- New
Shipping Information
- Item Requires Shipping
- 20.0 lbs.
- W6.0000” x H5.0000” x L36.0000”
- FREE SHIPPING ON PARTS ORDERS OVER $99