DANA SPICER 3-3-5841X Slip Yoke 1350 Series
3-3-5841X
DANA SPICER 3-3-5841X
1350 Series Slip Yoke
Not Available
Pricing:
$96.75
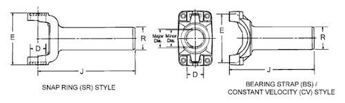
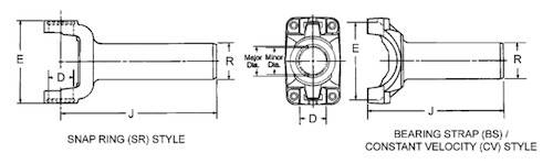
Description
DANA SPICER 3-3-5841X
1350 Series Slip Yoke
- Spline/Hole Outside Diameter = 1.391
- Number of Splines = 30/31
- Series = 1350
- Lock up style = OUTSIDE
- Universal Joint Width = 3.625
- D - Universal Joint Bore = 1.187
- J - Center of u-joint bore to End of Slip yoke = 6.438
- R - Barrel Outside Diameter = 1.688

Details
- 3-3-5841X
- 3-3-5841X
- Spicer
- Temporarily Not Available
- New
Categories
Shipping Information
- Item Requires Shipping
- 5.0 lbs.
- W5.0000” x H3.0000” x L9.0000”