DANA SPICER 2-3-15321X Slip Yoke 1310 Series
2-3-15321X
DANA SPICER 2-3-15321X
1310 Series Slip Yoke
Not Available
Pricing:
$149.95
Description
DANA SPICER 2-3-15321X
1310 Series Slip Yoke
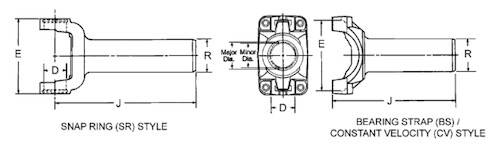
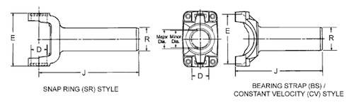
- Spline/Hole Outside Diameter = 1.176
- Number of Splines = 26/27
- Series = 1310
- Lock up style = OUTSIDE
- Universal Joint Width = 3.219
- D - Universal Joint Bore = 1.062
- J - Center of u-joint bore to End of Slip yoke = 5.750
- R - Barrel Outside Diameter = 1.602
- Special Notes: W/4.500" OD dampener

Details
- 2-3-15321X
- 2-3-15321X
- Spicer
- Temporarily Not Available
- New
Categories
Shipping Information
- Item Requires Shipping
- 5.0 lbs.
- W5.0000” x H3.0000” x L7.0000”
- FREE SHIPPING ON PARTS ORDERS OVER $99