DANA SPICER 2-3-13031X Slip Yoke 1330 Series
2-3-13031X
DANA SPICER 2-3-13031X
1330 Series Slip Yoke
Not Available
Availability: This item ships from manufacturer warehouse direct to you.
Pricing:
$78.05
Description
DANA SPICER 2-3-13031X
1330 Series Slip Yoke
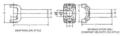
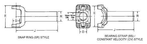
- Spline/Hole Outside Diameter = 1.220
- Number of Splines = 28/28
- Series = 1330
- Lock up style = OUTSIDE
- Universal Joint Width = 3.625
- D - Universal Joint Bore = 1.062
- J - Center of u-joint bore to End of Slip yoke = 5.920
- R - Barrel Outside Diameter = 1.594
- Special Notes: Nickel Plated

Details
- 2-3-13031X
- 2-3-13031X
- SPICER - DISCONTINUED
- This item ships from manufacturer warehouse direct to you.
- New
Categories
Shipping Information
- Item Requires Shipping
- 5.0 lbs.
- W5.0000” x H3.0000” x L8.0000”