DANA SPICER 2-3-04410X Slip Yoke 1330 Series
2-3-04410X
DANA SPICER 2-3-04410X
1330 Series Slip Yoke
Not Available
Pricing:
$335.93
Description
DANA SPICER 2-3-04410X
1330 Series Slip Yoke
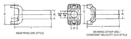
- Spline/Hole Outside Diameter = 1.406
- Number of Splines = 32/34
- Series = 1330
- Lock up style = OUTSIDE
- Universal Joint Width = 3.625
- D - Universal Joint Bore = 1.062
- J - Center of u-joint bore to End of Slip yoke = 8.465
- R - Barrel Outside Diameter = 1.771
- Counterbore Diameter = 1.438
- Counterbore Depth = 0.393

Details
- 2-3-04410X
- 2-3-04410X
- Spicer
- Temporarily Not Available
- New
Categories
Shipping Information
- Item Requires Shipping
- 5.0 lbs.
- W5.0000” x H3.0000” x L10.0000”
- FREE SHIPPING ON PARTS ORDERS OVER $99