DANA SPICER 2-3-02091X Slip Yoke 1330 Series
2-3-02091X
DANA SPICER 2-3-02091X
1330 Series Slip Yoke
Availability: This item ships from manufacturer warehouse direct to you.
Pricing:
$337.94
Description
DANA SPICER 2-3-02091X
1330 Series Slip Yoke
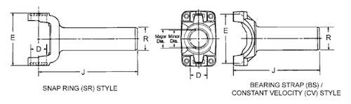
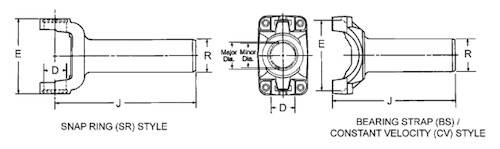
- Spline/Hole Outside Diameter = 1.378
- Number of Splines = 30/32
- Series = 1330
- Lock up style = OUTSIDE
- Universal Joint Width = 3.625
- D - Universal Joint Bore = 1.062
- J - Center of u-joint bore to End of Slip yoke = 8.464
- R - Barrel Outside Diameter = 1.731
- Counterbore Diameter = 1.385
- Counterbore Depth = 0.393

Details
- 2-3-02091X
- 2-3-02091X
- SPICER - FACTORY DIRECT
- This item ships from manufacturer warehouse direct to you.
- New
Categories
Shipping Information
- Item Requires Shipping
- 5.0 lbs.
- W5.0000” x H3.0000” x L10.0000”
- FREE SHIPPING ON PARTS ORDERS OVER $99