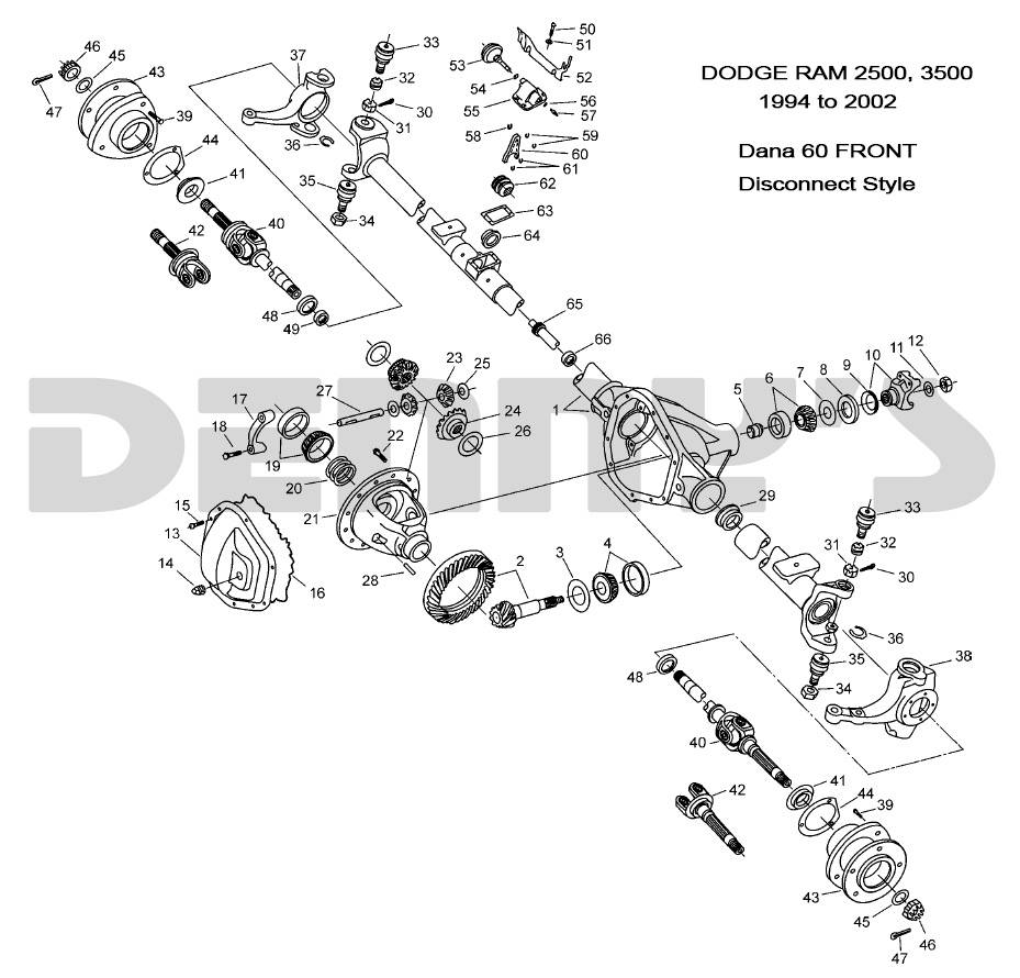
DANA SPICER 74752X Right Side INNER Axle Shaft 15 Spline fits DANA 60 DISCONNECT 1994 to 1999 DODGE RAM 2500 and 3500
Diagram Number: 40-IN
74752X
DANA SPICER 74752X
- DODGE RAM 2500 and 3500 from 1994 to 1999 with DANA 60 DISCONNECT FRONT AXLE
- RIGHT INNER AXLE 15 spline
Not Available
Pricing:
$428.83
Description
DANA SPICER 74752X
- DODGE RAM 2500 and 3500 from 1994, 1995, 1996, 1997, 1998, 1999 with DANA 60 DISCONNECT AXLE
- Genuine DANA SPICER Front Axle Shaft
- RIGHT SIDE INNER - PASSENGER SIDE
- 15 SPLINES
- Dimension "C1" = 1.600 inch diameter
- Dimension "C" = 18.31 inches
- Use with Dana Spicer 5-806X or SPL55-3X Universal Joint...See bottom of this page
- U-Joint Snap Ring Dimension = 3 inches
- U-Joint Bearing Cap Diameter = 1.375 inches ( 1 3/8 inches )
- Comes with 43337 BUSHING installed in splined end of axle
- Bushing is required for proper alignment of inner axle shaft with intermediate shaft for smooth operation of disconnect coupler

Details
- 74752X
- 74752X
- 023913149338
- Spicer
- Temporarily Not Available
- New
Shipping Information
- Item Requires Shipping
- 11.0 lbs.
- W6.0000” x H5.0000” x L20.0000”
- FREE SHIPPING ON PARTS ORDERS OVER $99