DANA SPICER 76472X Complete LEFT SIDE Axle Assembly with 30 SPLINE Inner fits 1994, 1995, 1996, 1997, 1998, 1999 DODGE Ram 2500HD and Ram 3500 with DANA 60 DISCONNECT Front Axle - FREE SHIPPING
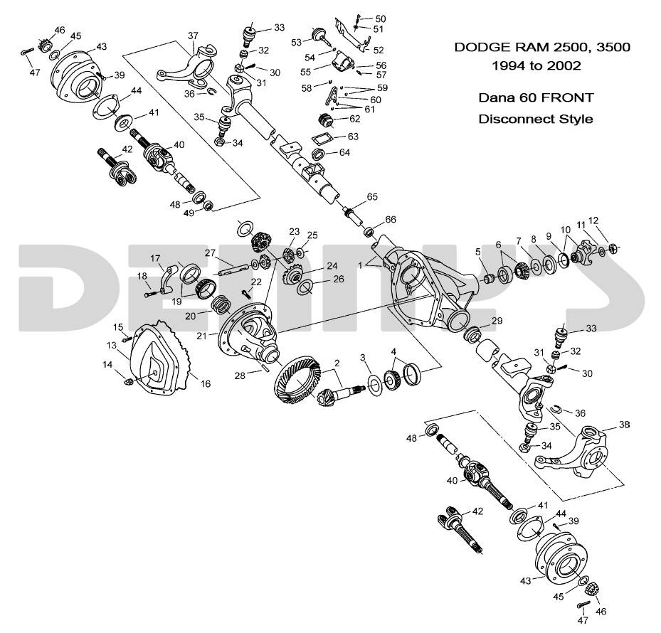
Diagram Number: 40
76472X
DANA SPICER 76472X
Complete LEFT Front Axle Assembly fits Drivers Side
- Fits 1994, 1995, 1996, 1997, 1998, 1999 Dodge RAM 2500HD and 3500 4x4 with DANA 60 DISCONNECT AXLE
- 30 spline inner
Not Available
Availability: This item ships from
manufacturer
warehouse direct to
you.
Shipping: FREE GROUND Shipping****Free Ground Shipping to lower 48 States ONLY...Alaska and Hawaii at reduced rates.
Pricing:
$359.95
Description
DANA SPICER 76472X
Complete LEFT Front Axle Assembly fits Drivers Side
- Fits 1994, 1995, 1996, 1997, 1998, 1999 Dodge RAM 2500HD and 3500 4x4 with DANA 60 DISCONNECT AXLE
- 30 spline inner
INCLUDES:
- (1) OUTER axle shaft with dust shield
- (1) INNER axle shaft
- (1) UNIVERSAL JOINT
- Fully Assembled and ready to install.
DIMENSIONS:
- Dimension "A" = 25.64 inches
- Dimension "B" = 7.05
- Dimension "B1" = 1.41 inch diameter with 33 splines
- Dimension "C1" = 1.30 inch diameter with 30 Splines
- Dimension "C" = 18.59 inches
- U-Joint Snap Ring Dimension = 3 inches
- U-Joint Bearing Cap Diameter = 1.375 inches ( 1 3/8 inches )

Details
- 76472X
- 76472X
- SPICER - DISCONTINUED
- This item ships from manufacturer warehouse direct to you.
- New
Shipping Information
- Item Requires Shipping
- 25.0 lbs.
- W6.0000” x H5.0000” x L30.0000”
- FREE GROUND SHIPPING ON PARTS ORDERS OVER $99
- FREE GROUND Shipping****Free Ground Shipping to lower 48 States ONLY...Alaska and Hawaii at reduced rates.