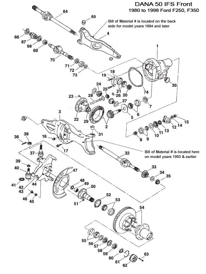
Dana Spicer 42570 Snap Ring/E Clip for Inner Axle Yoke Shafts fits 1983 to 1998 FORD F250, F350 Dana 50 IFS Front
Diagram Number: 73
42570
Dana Spicer 42570
SNAP RING / E Clip
- This snap ring locks Right Side innermost axle yoke shaft into IFS front differential spider gear.
- Fits Ford Dana 28 IFS
- Fits Ford Dana 35 IFS
- Fits Ford Dana 44 IFS
- Fits Ford Dana 50 IFS
- F250, F350 1983 to 1998
Not Available
Pricing:
$1.15
Description
Dana Spicer 42570
SNAP RING / E Clip
- This snap ring locks Right Side innermost axle yoke shaft into IFS front differential spider gear.
- Fits Ford Dana 28 IFS
- Fits Ford Dana 35 IFS
- Fits Ford Dana 44 IFS
- Fits Ford Dana 50 IFS
- F250, F350 1983 to 1998
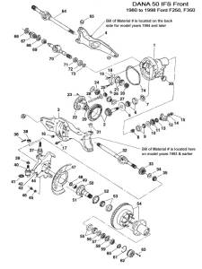
Exploded View of typical Ford IFS front showing location of snap ring 42570 on Right Side inner axle yoke shaft

Details
- 42570
- 42570
- Spicer
- Temporarily Not Available
- New
Shipping Information
- Item Requires Shipping
- 0.4 lbs.
- W2.0000” x H2.0000” x L1.0000”